no
rund
Ø 32 mm
erhaben
zum Aufschnappen
rund
Pilz
Rot
Kunststoff, gemäss UL 94 V0
ausleuchtbar
Schwarz
Rot
250 V
V DC (LED)
5 - 30 V
Drehentriegelung
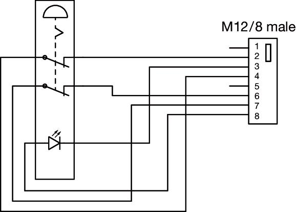
Stecker M12
Tastschaltelement
Gold
Rast
IP67
Kunststoff, nach UL 94 V0
Wechselstrom mit Silberkontakt (vergoldet) | ||
Gebrauchskategorie AC-15 gemäss EN IEC 60947-5-1 | ||
Spannung | 120 VAC | 240 VAC |
Strom | 3 A | 1,5 A |
Gleichstrom mit Silberkontakt (vergoldet) | ||
Gebrauchskategorie DC-13 gemäss EN IEC 60947-5-1 | ||
Schliesser Kontakte | Öffner Kontakte | Schliesser/Öffner Kontakte |
(48 VA) | (60 VA) | |
12 VDC/2,0 A | 12 VDC/2,5 A | 125 VDC/0,22 A |
24 VDC/2,0 A | 24 VDC/2,5 A | 250 VDC/0,11 A |
48 VDC/1,0 A | 48 VDC/1,25 A | |
60 VDC/0,8 A | 60 VDC/1,0 A |

Wechselstrom mit Silberkontakt (vergoldet) | ||
Gebrauchskategorie AC-15 gemäss EN IEC 60947-5-1 | ||
Spannung | 120 VAC | 240 VAC |
Strom | 3 A | 1,5 A |
Gleichstrom mit Silberkontakt (vergoldet) | ||
Gebrauchskategorie DC-13 gemäss EN IEC 60947-5-1 | ||
Schliesser Kontakte | Öffner Kontakte | Schliesser/Öffner Kontakte |
(48 VA) | (60 VA) | |
12 VDC/2,0 A | 12 VDC/2,5 A | 125 VDC/0,22 A |
24 VDC/2,0 A | 24 VDC/2,5 A | 250 VDC/0,11 A |
48 VDC/1,0 A | 48 VDC/1,25 A | |
60 VDC/0,8 A | 60 VDC/1,0 A |
Silberkontakte (vergoldet) | ||
Spannung | 1 VAC/DC | |
Strom | 1 mA |

