rund
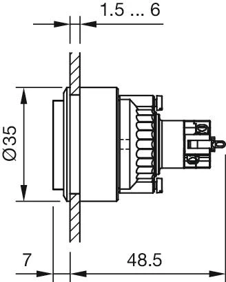
Ø 35 mm
Paneel-Montage
Ø 30 mm
erhaben
Grün
Kunststoff
ausleuchtbar
Grün
1 Ö / 1 S
250 V AC @ 3 A
V AC/DC
24 V
Lötanschluss
Sprungschaltelement
Goldplattiertes Silber
Impuls
IP67, gemäss DIN EN 60529
250 VAC, 5 A (ohmisch) |
250 VAC, 3 A (Lötanschluss) |
250 VAC, 2 A (induktiv, cos(phi) = 0.7) |
220 VDC, 0.1 A (induktiv, L:R = 30 ms) |
110 VDC, 0.2 A (induktiv, L:R = 30 ms) |
60 VDC, 0.7 A (induktiv, L:R = 30 ms) |
24 VDC, 2 A (induktiv, L:R = 30 ms) |


