Erkunde Katalog
Assembly settings
Mechanische Kennwerte
Anschluss
Printanschluss

Printanschluss

wählen ...
  • AMP Superseal 1.5 mm, 3-polig
  • Deutsch DT04-6P
  • Doppelsteckanschluss, 6,3 x 0,8 mm
  • Federkraftklemme
  • Federzugklemme
  • Flachbandkabel
  • Flachbandkabel 300 mm
  • Kabel 200 mm
  • Kabel 200 mm, 180°
  • Kabel 200 mm, 180°, Stecker M12
  • Kabel 200 mm, 90°
  • Kabel 200 mm, 90°, Stecker M12
  • Lötanschluss
  • Lötanschluss, 2,8 x 0,5 mm
  • Printanschluss
  • Ringkabelschuh-Schraubanschluss
  • Schraubanschluss
  • Steckanschluss
  • Steckanschluss, 2 x 0,5 mm
  • Steckanschluss, 2,8 x 0,5 mm
  • Steckanschluss, 2,8 x 0,8 mm
  • Steckanschluss, 6,3 x 0,8 mm
  • Stecker M12
  • Stecker M12 (5 Pins)
  • TE 8P-1745000-3
  • USB Typ A-A 3,0
  • USB Typ C-A 3,0
  • Universal-Lötanschluss
  • Universalanschluss, 2 x 0,5 mm
  • Würth Elektronik WR-MPC3, 16 Pins
  • Würth Elektronik WR-MPC3, 20 Pins
Weitere
Titel Zubehör
Printstecksockel

Printstecksockel

wählen ...
  • Abdeckhaube
  • Absperrvorrichtung
  • Adapter
  • Adapter zu Gehäuse, Stangenmontage Ø 25 mm
  • Adapter zu Gehäuse, Stangenmontage Ø 30 mm
  • Aufbaugehäuse
  • Befestigungsmutter
  • Beschriftungsrahmen
  • Bezeichnungsschild
  • Blindabdeckung
  • Crimpzange
  • Demontagewerkzeug
  • Diffusor
  • Diodenblock 1N4007
  • Distanzkappe
  • Distanzring
  • Druckhaubenzieher
  • EMV-Schlüsselschutzkappe
  • Elektronikmodul
  • Ersatz-Signalleuchte LED, BA15
  • Ersatzschlüssel
  • Ersatzschlüssel (Rohling)
  • Faston-Anschlüsse
  • Flachsteckhülse
  • Frontrahmen
  • Frontschutzhaube
  • Frontschutzring
  • Gehäuse Wandmontage
  • Gehäusedeckel-Überwachung
  • ID-Schlüssel
  • Isolierhülse
  • Kabelverschraubung
  • Klemmenabdeckung
  • Klemmenbezeichnung - Neue Version
  • Klemmenbezeichnung - Nicht empfohlen für Neuentwicklungen
  • Klemmenleiste leer
  • Kontaktbrücke
  • Lampentransformator 115/24 V
  • Lampentransformator 230/24 V
  • Lampentransformator 400/24 V
  • Lampentransformator 440/24 V
  • Lampenzieher
  • Leuchtelement, 24 V
  • Leuchtelement, 240 V
  • Lichtrennwand
  • Manueller Verriegelungs-Ringschlüssel
  • Mehrfachsteckgehäuse
  • Montageadapter
  • Montageflansch
  • Montageplatte
  • Montagewerkzeug
  • NOT-HALT Schutzkragen
  • Niederhalter
  • Plug-In Kabel für 16 mm
  • Plug-In Kabel für 19 und 22 mm
  • Positioniereinsatz Verdrehsicherungsschutz
  • Printstecksockel
  • Reduktionsring
  • Richtwerkzeug
  • Schnappsockel
  • Schutzdeckel
  • Schutzklappe
  • Schutzkragen
  • Schutzrahmen, 6PB
  • Schutzrahmen, 8PB
  • Signalsäule-Verlängerungsstange
  • Symbol 0000 - leer
  • Symbol 0027 - Kühlung; Klimaanlage
  • Symbol 0083 - Fahrlicht; Abblendlicht
  • Symbol 0084 - Fahrtrichtungsanzeiger
  • Symbol 0085 - Warnsignal; Warnblinkanlage
  • Symbol 0086 - Scheibenwischer, Frontscheibe
  • Symbol 0087 - Scheibenwaschanlage und Scheibenwischer
  • Symbol 0097 - Scheibenwischer, Heckscheibe
  • Symbol 0238 - Feststellbremse
  • Symbol 0244 - Akustisches Signal; Horn
  • Symbol 0251 - Funktionspfeil; Umschaltung
  • Symbol 0635A - Heizung und Belüftung der Frontscheibe
  • Symbol 0636A - Heizung und Belüftung der Heckscheibe
  • Symbol 0637A - Innenraumheizung
  • Symbol 0649A - Sitzheizung
  • Symbol 0651A - Horizontal-Rücklauf mit Zeilenschritt
  • Symbol 0717 - Kundendienst rufen
  • Symbol 1141A - Rundumkennleuchte; Kennleuchte
  • Symbol 1204 - Fluchtlicht; Arbeitsleuchte
  • Symbol 1421A - Innenbeleuchtung
  • Symbol 2025 - Rollen (Verzeichnis, Liste, Tabelle)
  • Symbol 2026 - Übersicht; Aufruf von Informationen
  • Symbol 2037 - Zeichenschritt rückwärts; Rückwärtsschritt
  • Symbol 2047 - Geschwindigkeitskontrolle
  • Symbol 2048 - Antischlupfregelung (ASR, TC)
  • Symbol 2063 - Batterie abklemmen; Batterie abschalten
  • Symbol 2582 - Einparkhilfe
  • Symbol 2639 - Begrenzte Arbeitsleistung
  • Symbol 2760 - Produktinformationen; Informationsstelle
  • Testmodul
  • Textfolie
  • Verriegelungsstift
  • Vorwiderstand
  • Widerstandsblock
Zurück
Detaillierte Produktübersicht zeigen

Printstecksockel

  • 61-9821.1

61-9821.1 Printstecksockel, Printanschluss, Axial
61-9821.1
In den Warenkorb
Ihr Produkt:
61-9821.1

61-9821.1

Printstecksockel

Mechanische Kennwerte
Anschluss:
Printanschluss
Gewicht:
0.005 kg
Weitere
Kurzbeschreibung:
Printstecksockel, Printanschluss, Axial
Titel Zubehör:
Printstecksockel
Produkteigenschaften:
Für Sprungschalt-, Lampen- und Diodenelement
Pins:
Axial
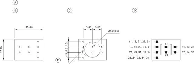
Bauteilelayouts:
Bauteilelayouts
A = Printstecksockel
B = Anschlüsse (Rückseite)
C = Bohrplan (Bauteilseite)
D = Belegungsplan (Bauteilseite)
E = Tastenverdrehschutz
Abmessungen:
Abmessungen
Für Art.-Nr. 61-9821.1
Dateien herunterladen
In den Warenkorb