yes
丸形
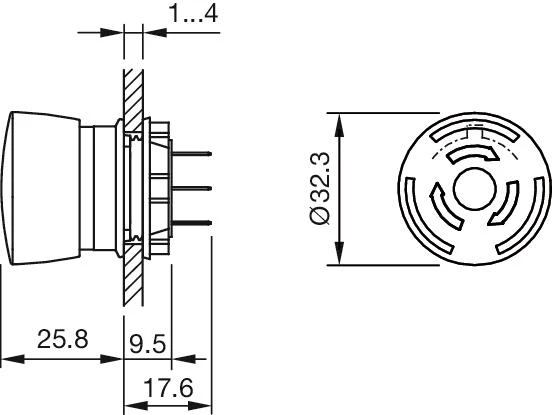
Ø 32 mm
パネル実装
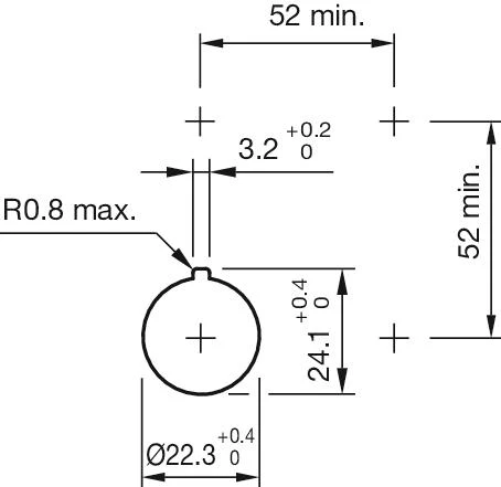
Ø 22 mm
丸形
マッシュルームヘッド
赤
プラスチック、UL 94 V0に準拠
非照光
緑
2 NC
250 V AC @ 1,5 A
ツイストリリース
プラグイン端子, 2.8 x 0.5 mm
スローメークスイッチングエレメント
金
オルタネイト
IP65、IP66、IP67
プラスチック、UL 94 V0に準拠
スイッチ定格 AC 銀接点( 金めっき) | ||
EN IEC 60947-5-1に準拠、サービスカテゴリAC-15 | ||
電圧 | 120 VAC | 240 VAC |
電流 | 3 A | 1.5 A |
スイッチ定格 AC 銀接点( 金めっき) | ||
EN IEC 60947-5-1に準拠、サービスカテゴリDC-13 | ||
NO接点 | NC 接点 | NO/NC 接点 |
(48VA) | (60 VA) | |
12 VDC/2.0 A | 12 VDC/2.5 A | 125 VDC/0.22 A |
DC24V/2.0A | 24 VDC/2.5 A | 250 VDC/0.11 A |
48 VDC/1.0 A | 48 VDC/1.25 A | |
60 VDC/0.8 A | 60 VDC/1.0 A |

スイッチ定格 AC 銀接点( 金めっき) | ||
EN IEC 60947-5-1に準拠、サービスカテゴリAC-15 | ||
電圧 | 120 VAC | 240 VAC |
電流 | 3 A | 1.5 A |
スイッチ定格 AC 銀接点( 金めっき) | ||
EN IEC 60947-5-1に準拠、サービスカテゴリDC-13 | ||
NO接点 | NC 接点 | NO/NC 接点 |
(48VA) | (60 VA) | |
12 VDC/2.0 A | 12 VDC/2.5 A | 125 VDC/0.22 A |
DC24V/2.0A | 24 VDC/2.5 A | 250 VDC/0.11 A |
48 VDC/1.0 A | 48 VDC/1.25 A | |
60 VDC/0.8 A | 60 VDC/1.0 A |
電圧 | 1 VAC/DC |
電流 | 1 mA |



