no
Negro
cuadrado
Negro
Plástico, según UL 94 V0
24 mm x 24 mm
rasante
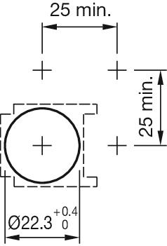
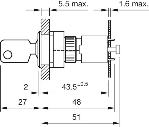
Montaje en panel
21 mm x 21 mm
Negro
no iluminable
2 NC + 2 NO
250 V @ 3 A
Terminal PCB
3 posiciones
Elemento conmutador de ruptura brusca
Oro
Momentáneo - Descanso (a) - Mantenido
42° izquierda / 90° derecha
IP65
Plástico
Categoría de servicio de corriente alterna cosφ 0,7 ... 0,8 según EN IEC 60947-5-1 | ||
Voltaje | 250 VAC | |
Corriente | 3 A | |
Corriente continua según EN IEC 60947-5-1 | ||
Voltaje | 24 VDC | 250 VDC |
Corriente | 3 A | 0,5 A |


Categoría de servicio de corriente alterna cosφ 0,7 ... 0,8 según EN IEC 60947-5-1 | ||
Voltaje | 250 VAC | |
Corriente | 3 A | |
Corriente continua según EN IEC 60947-5-1 | ||
Voltaje | 24 VDC | 250 VDC |
Corriente | 3 A | 0,5 A |
Voltaje | 5 VAC/DC |
Corriente | 10 mA |









