丸形
Ø 29 mm
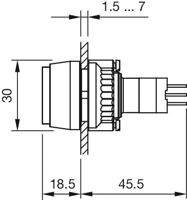
パネル実装
Ø 22 mm
レイズド
黄
プラスチック
照光用
黄
1 NC / 1 NO
250 V AC @ 3 A
V AC/DC
24 V
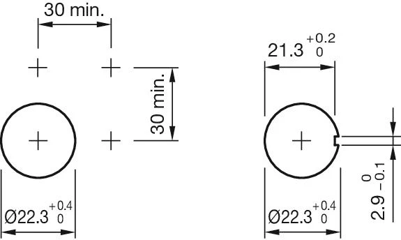
プラグイン端子, 2.8 x 0.5 mm
スナップアクションスイッチングエレメント
金メッキ銀
モメンタリ
IP67、DIN EN 60529に準拠
250 VAC, 5 A ( Ω ) | |
250 VAC, 3 A (はんだ端子) | |
250 VAC, 2 A (誘導負荷、 cos(phi) = 0.7) | |
220 VDC、0.1 A(誘導負荷、L:R = 30 ms) | |
110 VDC、0.2 A(誘導負荷、L:R = 30 ms) | |
60 VDC、0.7 A(誘導負荷、L:R = 30 ms) | |
24 VDC、2 A(誘導負荷、L:R = 30 ms) |


