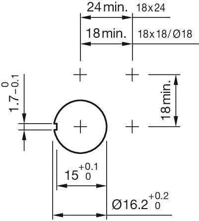
スクエア
18 mm x 18 mm
レイズド
パネル実装
4 NC / 4 NO
250 V @ 5 A
はんだ端子
2ポジション
スナップアクションスイッチングエレメント
金
レスト (a) - オルタネイト
90° 背面
IP65、DIN EN 60529に準拠
250 VAC, 5 A ( Ω ) | |
250 VAC, 3 A (はんだ端子) | |
250 VAC, 2 A (誘導負荷, cos(phi) = 0.7) | |
125 VAC、3 A(誘導負荷、cos(phi)=0.7) | |
220 VDC、0.1 A(誘導負荷、L:R = 30 ms) | |
110 VDC、0.2 A(誘導負荷、L:R = 30 ms) | |
60 VDC、0.7 A(誘導負荷、L:R = 30 ms) | |
24 VDC、2 A(誘導負荷、L:R = 30 ms) |



