Alternatieven tonen
Assembly settings
Assortiment
Online beschikbaarheid
Geen

no

kiezen...
  • Geen
Voor
Front form
Round

Round

kiezen...
  • Round
Front bezel colour
Black

Black

kiezen...
  • Black
  • Nature
Front bezel material
Plastic

Plastic

kiezen...
  • Aluminium
  • Plastic
Front dimension
Ø 25 mm

Ø 25 mm

kiezen...
  • Ø 25 mm
Montage
Design
Flush

Flush

kiezen...
  • Flush
Mounting type
Panel mounting

Panel mounting

kiezen...
  • Panel mounting
Mounting cut-out
Ø 22 mm

Ø 22 mm

kiezen...
  • Ø 22 mm
Bedienings-/display-eenheid
Symbol
No Symbol

No Symbol

kiezen...
  • No Symbol
  • ON/OFF
  • Ring
  • Standby
Lens type
Level with front bezel

Level with front bezel

kiezen...
  • Level with front bezel
  • Raised above front bezel
Lens shape
Flush

Flush

kiezen...
  • Flush
Lens colour
Green

Green

kiezen...
  • Black
  • Blue
  • Colourless
  • Gold
  • Green
  • Nature
  • Olive green
  • Orange
  • Red
  • Yellow
Lens material
Plastic

Plastic

kiezen...
  • Aluminium
  • Plastic
Lens illumination
Illuminated

Illuminated

kiezen...
  • Illuminated
Shape of illumination
Front

Front

kiezen...
  • Dot
  • Front
  • Ring
  • Symbol
Illumination colour
White

White

kiezen...
  • Amber
  • Blue
  • Green
  • Green / Yellow
  • Red
  • Red / Green
  • White
  • Yellow
Elektrische kenmerken
Operating voltage kind of
V DC

V DC

kiezen...
  • V DC
Operating voltage
2 - 6 V

2 - 6 V

kiezen...
  • 2 - 6 V
Mechanische kenmerken
Terminal
PCB terminal

PCB terminal

kiezen...
  • PCB terminal
Omgevingscondities
IP front protection
IP40

IP40

kiezen...
  • IP40
  • IP65, IP67
Meer
Material
Plastic

Plastic

kiezen...
  • Plastic
Terug
Toon gedetailleerd productoverzicht

Indicator PCB standard, Series 84, Ø 25 mm, Flush, IP40, PCB terminal

  • 84-7111.500
  • 84-3100.0
  • 92-800.042
  • 10-2603.3178S
  • 92-960.0

  • Lens colour
  • Lens material
  • Lens type
  • Symbol
  • Shape of illumination
84-7111.500
  • Front bezel colour
  • Front bezel material
  • IP front protection
84-3100.0
92-800.042
  • Illumination colour
10-2603.3178S
92-960.0
Accessoires & gereedschap toevoegen
Ter vergelijking toevoegen
Toevoegen aan winkelwagentje
Uw product:
84-7111.500
84-3100.0
92-800.042
10-2603.3178S
92-960.0

84-7111.500~10-2603.3178S~84-3100.0~92-800.042~92-960.0

Indicator PCB standard, Series 84, Ø 25 mm, Flush, IP40, PCB terminal

Assortiment
HMI function:
Indicator
Series:
Series 84
Voor
Front dimension:
Ø 25 mm
Front form:
Round
Front bezel colour:
Black
Front bezel material:
Plastic
Montage
Design:
Flush
Mounting cut-out:
Ø 22.5 mm
Mounting type:
Panel mounting
Bedienings-/display-eenheid
Lens colour:
Green
Lens material:
Plastic
Lens illumination:
Illuminated
Lens shape:
Flush
Lens optics:
transparent
Lens type:
Level with front bezel
Symbol:
No Symbol
Illumination colour:
White
Shape of illumination:
Front
Elektrische kenmerken
Operating voltage:
2 - 6 V DC
Lumi. Intensity:
500 mcd
Mechanische kenmerken
Terminal:
PCB terminal
Tightening torque:
Fixing nut 0.8 Nm
Totaal gewicht:
0.006 kg
Omgevingscondities
IP front protection:
IP40
Operating temperature:
– 25 °C … + 70 °C
Meer
Material:
Plastic
Product attributes:
Tightening torque fixing screw 0.3 Nm
max. number of switching elements:
1
Wiring diagrams:
Wiring diagrams
Wiring diagrams
Wiring diagrams
Product opslaan of delen
Bestanden downloaden
Toevoegen aan winkelwagentje
Uw product bestaat uit het volgende 5 COMPONENTS:
Voor
Front form:
Round
Bedienings-/display-eenheid
Lens colour:
Green
Lens material:
Plastic
Lens illumination:
Illuminated
Lens shape:
Flush
Lens optics:
transparent
Lens type:
Level with front bezel
Symbol:
No Symbol
Shape of illumination:
Front
Mechanische kenmerken
Weight:
0.001 kg
Certificaten
REACH:
REACH compliant
RoHS:
RoHS compliant
Meer
Short Description:
Lens, Ø 19.7 mm, Illuminated, No Symbol, Green, Flush, Plastic
Dimension:
Ø 19.7 mm
Description component:
Material lens: Plastic as per UL94 V2
Bestanden downloaden
Waar te koop
Toevoegen aan winkelwagentje
84-3100.0

84-3100.0

Actuator

Voor
Front dimension:
Ø 25 mm
Front form:
Round
Front bezel colour:
Black
Front bezel material:
Plastic
Montage
Design:
Flush
Mounting cut-out:
Ø 22.5 mm
Mounting type:
Panel mounting
Mechanische kenmerken
Operating force:
4.5 N ±1 N (measured at the lens)
Tightening torque:
Fixing nut 0.8 Nm
Weight:
0.004 kg
Omgevingscondities
IP front protection:
IP40
IP Protection:
IP40
Operating temperature:
– 25 °C … + 70 °C
Storage temperature:
– 40 °C … + 85 °C
Climate resistance:
Damp heat, cyclic: 96 hours, + 25 °C/97 %, + 55 °C/93 % relative humidity, as per EN IEC 60068-2-30
Damp heat, steady: 56 days, + 40 °C/93 % relative humidity, according to EN IEC 60068-2-78
Rapid change of temperature: 100 cycles, – 40 °C … + 80 °C, as per EN / IEC 60068-2-14
Certificaten
Approbations:
EBC (TSI PRM), NFF
Conformities:
CE, UKCA, 2011 / 65 / EC (RoHS)
REACH:
REACH compliant
RoHS:
RoHS compliant
Meer
Short Description:
Actuator, Ø 22.5 mm, Ø 25 mm, Round, Black, Plastic, IP40
Hints:
Illuminated lens, non-illuminated bezel
Description component:
Material housing actuator: Plastic as per UL94 V0
Wiring diagrams:
Wiring diagrams
Mounting cut-outs:
Mounting cut-outs
Dimension drawings:
Dimension drawings
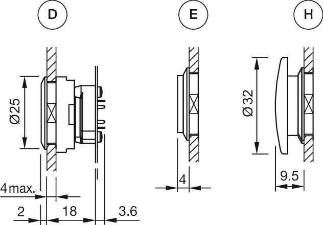
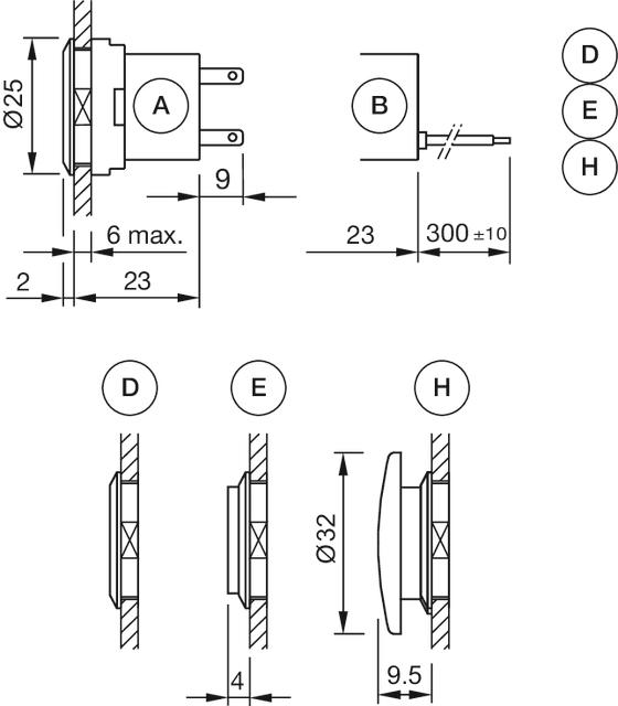
A = Plug-in terminal 2.8 mm x 0.8 mm
B = Flat ribbon cable
D = Lens level with bezel
E = Lens raised above bezel
H = Mushroom-head cap
Dimension drawings
A = Lens level with bezel
E = Lens raised above bezel
H = Mushroom-head cap
Bestanden downloaden
Waar te koop
Toevoegen aan winkelwagentje
92-800.042

92-800.042

Indicator element

Mechanische kenmerken
Terminal:
PCB terminal
Weight:
0 kg
Certificaten
REACH:
REACH compliant
RoHS:
RoHS compliant
Meer
Short Description:
Indicator element, PCB terminal
Material:
Plastic
Hints:
The customer has to decide what series resistor shall be used to the LED
LED and mounting flange to be ordered separately
Wiring diagrams:
Wiring diagrams
Component layouts:
Component layouts
A = Switching element without illumination
B = Drilling plan (component side)
C = Occupancy plan (component side)
D = Hole for switching element
Dimension drawings:
Dimension drawings
Bestanden downloaden
Waar te koop
Toevoegen aan winkelwagentje
10-2603.3178S

10-2603.3178S

Single-LED

Bedienings-/display-eenheid
Illumination colour:
White
Elektrische kenmerken
Operating voltage:
2 - 6 V DC
Lumi. Intensity:
500 mcd
Mechanische kenmerken
Weight:
0 kg
Certificaten
REACH:
REACH compliant
RoHS:
RoHS compliant
Meer
Short Description:
Single-LED, T1 Bi-Pin, White, 2 - 6 V DC
Kind of iIllumination:
Single-LED
Hints:
The customer has to decide what series resistor shall be used to the LED
Luminosity and wave length variations caused by LED manufacturing processes may cause slight differences regarding the illumination. The customer has to decide what resistor shall be used to the LED
Wiring diagrams:
Wiring diagrams
Component layouts:
Component layouts
Bestanden downloaden
Waar te koop
Toevoegen aan winkelwagentje
92-960.0

92-960.0

Mounting flange

Mechanische kenmerken
Tightening torque:
0.4 Nm
Weight:
0.001 kg
Certificaten
REACH:
REACH compliant
RoHS:
RoHS compliant
Meer
Short Description:
Mounting flange
Material:
Plastic
Product attributes:
Tightening torque fixing screw 0.3 Nm
Hints:
For discrete switching applications including switching element and mounting flange, soldering terminal (assembled PCB incl. series resistor and LED on request)
Dimension drawings:
Dimension drawings
for Part No. 92-960.0
Bestanden downloaden
Waar te koop
Toevoegen aan winkelwagentje