所有核心市场同时浏览
所有产品和解决方案同时浏览
所有EAO集团同时浏览
no
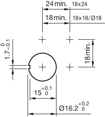
矩形
24 mm x 18 mm
凸起的
面板安装
Ø 16 mm
1 NC + 1 NO
42 V @ 0,1 A
通用端子, 2 x 0.5 mm
2位置
低电平元件
金
复位(a) - 自锁(a)
90°右
IP65