矩形
24 mm x 18 mm
平面的
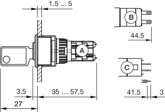
面板安装
21 mm x 27 mm
2 NC / 2 NO
250 V @ 5 A
焊接端子
2位置
快动开关元件
金
复位(a) - 自复位
42°右
IP65,符合DIN EN 60529标准
250 VAC, 5 A (阻性) |
250 VAC, 3 A (焊接端子) |
250 VAC, 2 A (感性, cos(phi) = 0.7) |
125 VAC, 3 A (感性, cos(phi) = 0.7) |
220 VDC, 0.1 A (感性, L:R = 30 ms) |
110 VDC, 0.2 A (感性,L:R = 30 ms) |
60 VDC, 0.7 A (感性, L:R = 30 ms) |
24 VDC, 2 A (感性, L:R = 30 ms) |



